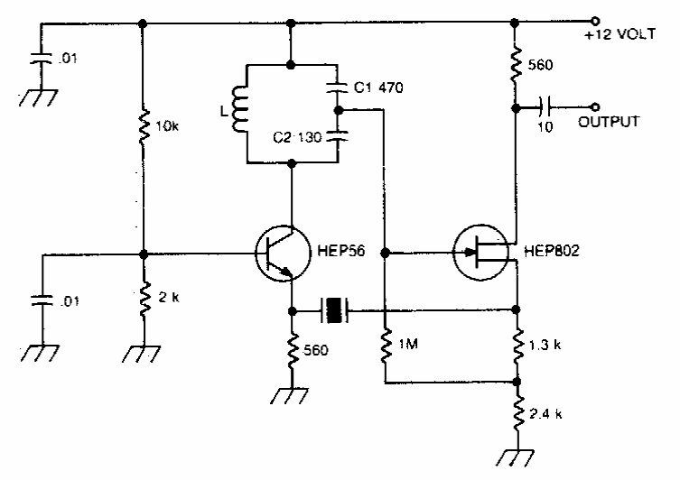
Encontrado numa documentação dos anos 80, este oscilador usa um transistor e um FET de uso geral. O transistor deve ser capaz de oscilar na frequência desejada, de acordo com o circuito formado por L e os capacitores em paralelo.
Encontrado numa documentação dos anos 80, este oscilador usa um transistor e um FET de uso geral. O transistor deve ser capaz de oscilar na frequência desejada, de acordo com o circuito formado por L e os capacitores em paralelo.