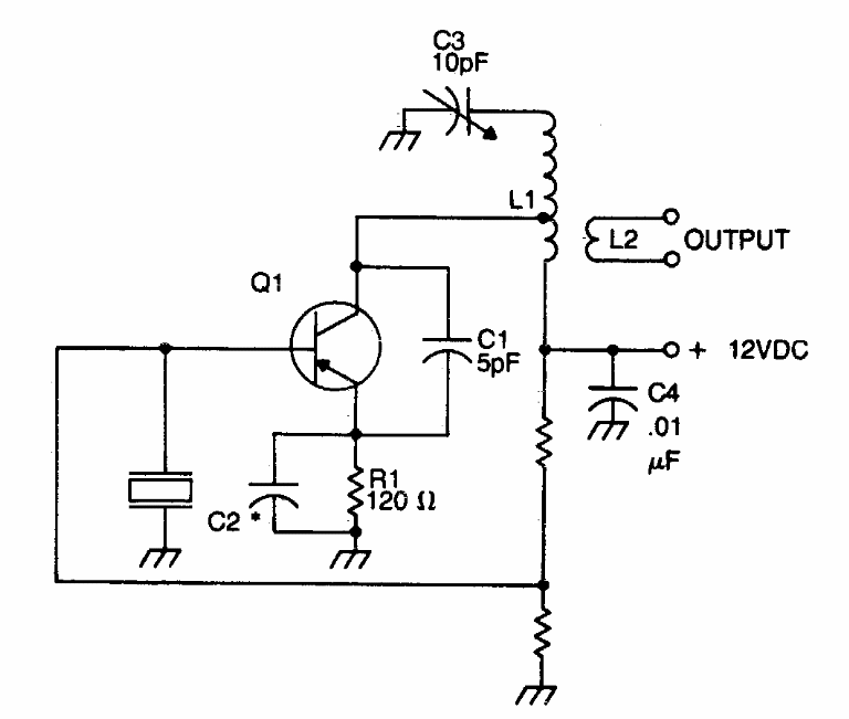
Este circuito pode gerar sinais de frequências múltiplas do cristal. O circuito ressonante deve ser de acordo com a frequência desejada. O transistor deve ser de acordo com a frequência.
Este circuito pode gerar sinais de frequências múltiplas do cristal. O circuito ressonante deve ser de acordo com a frequência desejada. O transistor deve ser de acordo com a frequência.