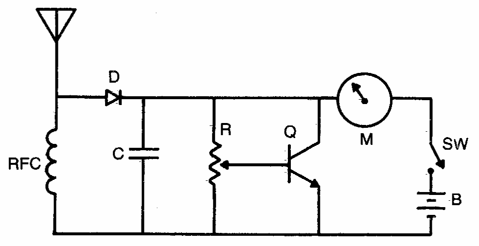
O choque é de 2,5 mH para frequências entre 3 e 30 MHz. C é de 1 nF, R de 47 k e o transistor pode ser de qualquer tipo de uso geral. M é de 0-1 mA e a alimentação feita com tensões de 3 a 6 V.
O choque é de 2,5 mH para frequências entre 3 e 30 MHz. C é de 1 nF, R de 47 k e o transistor pode ser de qualquer tipo de uso geral. M é de 0-1 mA e a alimentação feita com tensões de 3 a 6 V.