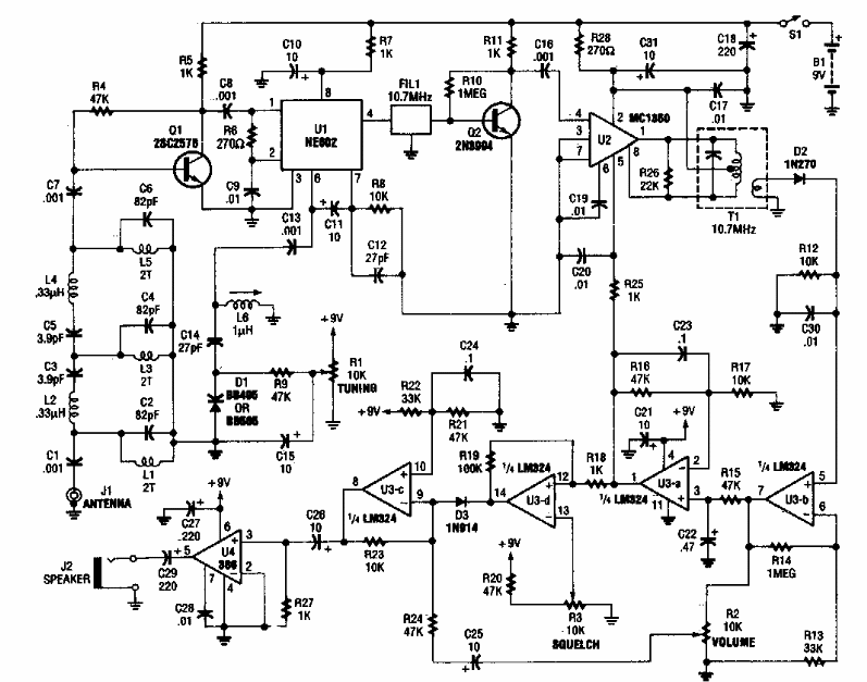
Encontrado numa Radio Craft antiga, este circuito cobre a faixa aérea de 118 a 136 MHz. Não são dadas informações sobre as bobinas.

 


| Clique na imagem para ampliar |

 

 

NO YOUTUBE


NOSSO PODCAST