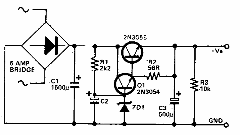
A tensão de saída desta fonte depende do diodo zener utilizado. Encontramos em documentação dos anos 80. O circuito multiplica o efeito da capacitância de C2 que pode ter valores entre 100 e 220 uF tipicamente para um efeito que supera os 40 000 uF.

 


| Clique na imagem para ampliar |

 

 

 

NO YOUTUBE


NOSSO PODCAST