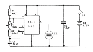
Para encaixar o circuito integrado em teste usamos um soquete DIL de 8 pinos. Observe a posição de encaixe do integrado em prova. Os resistores são de 1/8W ou maiores e o capacitor é de 47 nF. O potenciômetro controla a frequência do som que o transdutor produz. O transdutor pode ser uma cápsula de microfone ou fone de cristal ou cerâmica. A alimentação do circuito pode tanto ser feita com 4 pilhas pequenas como a partir de uma bateria de 9V. Para usar o aparelho, encaixe o circuito integrado em teste no soquete e ligue a alimentação. Ajuste P1 e o transdutor deve emitir um apito se o circuito integrado estiver bom. Ajustando P1 o som muda de frequência.

 

 


 

 

 

 

NO YOUTUBE


NOSSO PODCAST