Oscilador ponte de Wien CIR20655S CB21121E (CIR20565)
Detalhes
Escrito por: Newton C. Braga
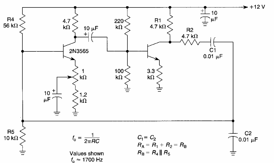
Este circuito foi encontrado numa documentação americana antiga. Trata-se de uma ponte de Viena com os valores dos componentes calculados pelas fórmulas junto ao diagrama.