Preamplificador para hidrofone CIR20834S CB21486E (CIR20931)
Detalhes
Escrito por: Newton C. Braga
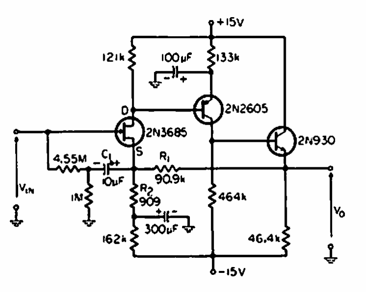
Este circuito foi encontrado numa documentação americana antiga. Ele tem 40 dB de ganho entre 10 Hz e 10 kHz. Transistores equivalentes modernos podem ser utilizados.