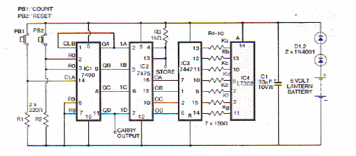
Este módulo tradicional contador TTL foi encontrado em documentação da Internet. A alimentação deve ser de 5 V e o display é de anodo comum.

 


 

 

 

 

NO YOUTUBE


NOSSO PODCAST