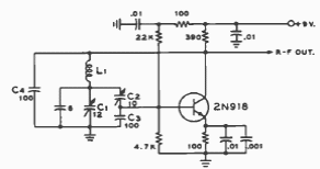
Este oscilador de 30 MHz foi encontrado num Radio Handbook de 1977. Os capacitores devem ser cerâmicos e o transistor é um tipo da época.

 


 

 

 

 

NO YOUTUBE


NOSSO PODCAST