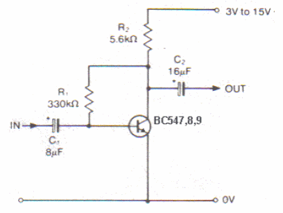
Na figura temos uma etapa amplificadora simples para os transistores da série BC547. O ganho é de aproximadamente 200 vezes com alimentação de 9 V.

Na figura temos uma etapa amplificadora simples para os transistores da série BC547. O ganho é de aproximadamente 200 vezes com alimentação de 9 V.
