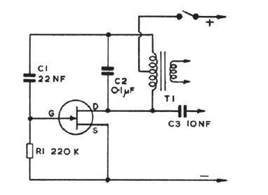
A frequência deste oscilador depende de T1 e C2. O transformador pode ser do tipo de áudio antigo. O transistor pode ser qualquer JFET de uso geral.

A frequência deste oscilador depende de T1 e C2. O transformador pode ser do tipo de áudio antigo. O transistor pode ser qualquer JFET de uso geral.
