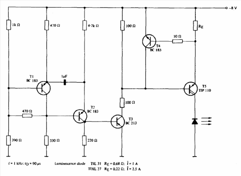
O circuito mostrado é de um manual de opto-eletrônica da Texas Instruments. RE depende do pico de tensão suportado pelo LED. Observe a polaridade da alimentação. Os transistores de baixa potência podem ser os BC548 para os NPN e BC558 para o PNP.
O circuito mostrado é de um manual de opto-eletrônica da Texas Instruments. RE depende do pico de tensão suportado pelo LED. Observe a polaridade da alimentação. Os transistores de baixa potência podem ser os BC548 para os NPN e BC558 para o PNP.