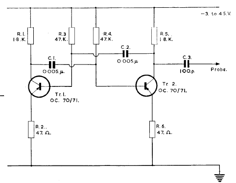
Encontrado numa publicação inglesa de 1967, este circuito gera sinais de 5 kHz com harmônicas que se estendem para além dos 2 MHz. O circuito usa transistores de germânio da época.

Encontrado numa publicação inglesa de 1967, este circuito gera sinais de 5 kHz com harmônicas que se estendem para além dos 2 MHz. O circuito usa transistores de germânio da época.
