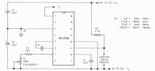
Encontramos este circuito na revista Radio Electronics de abril de 1977. O circuito gera sinais quadrados na faixa de frequências que depende de C1. Os valores são dados junto ao diagrama.

Encontramos este circuito na revista Radio Electronics de abril de 1977. O circuito gera sinais quadrados na faixa de frequências que depende de C1. Os valores são dados junto ao diagrama.
